Description
The 6 pin Battery isolation switch – an excellent way to ensure your car will completely shut off when you flick the switch as required in most Motorsports.
It incorporates an active relay for ease of installation and use.
Also has the provision for use with a remote pull cable.
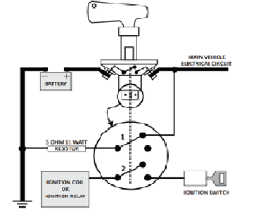
The 6 pin Battery Isolation Switch is designed to eliminate the possibility of the Alternator Circuit being damaged. This can occur due to heavy voltage surge with the use of a heavy duty single circuit ON/OFF Switch.
When turned to the OFF position, the engine will be stopped due to the secondary switch function where power to the ignition relay or ignition coil circuit is cut. Correctly wired this prevents engine “Run On” and is an important safety factor and requirement in competition use.
To ensure the Main Vehicle Electrical Circuit is fully discharged, the supplied resistor bleeds any residual voltage to ground.
When turned to ON position, the Ignition Switch and Main Battery Power is connected and normal vehicle operation occurs.

Also available as a complete kit. Includes 6 pin Isolator Switch, 2m long Pull cable, and decal to mark pull cable location RPM Battery Switch and Isolation Kit – Revolution Racegear





